Hydraulic cylinders (7)
1.1 How are hydraulic cylinders built?
1.2 What is the difference between single-acting and double-acting cylinders?
2.1 How to calculate push und pull forces?
What is the relation between push and pull forces? Are there losses of force?
If a hydraulic cylinder on the piston side is charged with the pressure pK,
it thus generates the ...
If a hydraulic cylinder on the piston rod side is charged with the pressure pSt,
it thus produces the ...
Important
The formulae only apply if there is no counterpressure (pSt = 0 or pK=0) or no counter force present. These opposing forces must, if necessary, be deducted from the push or pull force.
Conversions:
F force: 1 kN = 1000 N, 1 kN = 98.1 kp
P pressure: 1 bar = 105 N/m2 = 0.1 N/mm2 = 0.1 MPa
1 Pa = 1 N/m2 (1 Pascal)
π = 3,1416
Push and pull force of the hydraulic cylinder
The relation between push and pull force in ROEMHELD hydraulic cylinders amounts approximately to: FPush ≈ 1,6 × FPull
In order to obtain precise calculations of the force, any occurring losses of force or pressure must be taken into account.
- Loss of force/pressure by piston and piston rod seals
The friction force of the seals has to be constantly overcome.
Approximate value for loss of pressure on extending: 3 to 6 bar
(The loss of pressure during the stroke is distinctly less) - Loss of force/pressure by return spring
With single-acting cylinders with spring return, the cylinder force
is reduced by the preload force of the return spring. - Losses of pressure in the hydraulic system
Flow resistances in pressure lines and valves
reduce the pressure on the cylinder during motion - Impact pressure in the hydraulic system
When the oil cannot run off fast enough, in the return stroke, for example
ROEMHELD supplies hydraulic cylinders with a push force up to 1570 kN.
2.2 What is the necessary piston diameter?
How big are the piston areas?
The minimum diameter of a piston, which is required for a necessary push force at a stipulated pressure, can be calculated as shown right.
The next largest standardised piston diameter is selected.
Calculation of the piston diameter
The graph on the right side shows the relation between oil pressure, piston force and piston diameter.
The piston areas can be calculated from the corresponding diameters.
There, ASt represents the piston rod area.
ROEMHELD supplies hydraulic cylinders for a wide range of piston diameters:
- double acting: Ø 16 mm to Ø 200 mm
- single acting: Ø 8 mm to Ø 100 mm
2.3 How much pressure is necessary to generate a specific force?
The necessary pressure p can be calculated from the desired force and piston area:
2.4 What is the maximum operating pressure of a hydraulic system?
Every chain is only as strong as its weakest link. From that we can conclude that:
The maximum operating pressure in a hydraulic system is based on the part with the smallest acceptable maximum operating pressure.
Important
All hydraulic elements such as valves, tubes, hoses, etc. must be adjusted to the maximum operating pressure for the system.
The specified maximum operating pressure of hydraulic cylinders must never be exceeded - even briefly. This can lead to the destruction of the cylinder, with the possible consequences of considerable personal and material damage. In addition, it voids warranty claims, in any A case.
2.5 What is the oil volume required for the piston stroke?
The oil volume V necessary for a piston stroke is calculated from the effective piston area A and from the required piston stroke.
2.6 How is the stroke time of a cylinder calculated?
The stroke time for a piston stroke can be calculated from the cylinder volume V and the specified pump flow rate Q:
- one piston stroke
- from the piston area A
- from the piston speed v
Conversions:
- Flow rate Q: 1 l/min = 16.667 cm3/s, 1 cm3/s = 0.06 l/min
- Piston speed v: 1 m/s = 100 cm/s = 1000 mm/s
These purely mathematical time definitions are based on a constant piston speed throughout the entire stroke. Not considered here are acceleration times, times for switching operations or for pressure build up and similar.
2.7 How high is the piston speed?
At specified pump flow rate Q and with the effective piston area A it is calculated:
- the piston speed
- the piston speed by the stroke time tH
Important
At the same pump flow rate Q, the piston speed on retracting is higher than on extending, by the area ratio ϕ.
2.8 What pump flow rate is necessary with a preset stroke time?
The necessary pump flow rate is calculated from the total volume of all cylinders Vges and from the time tH, in which all strokes should be executed.
Required pump flow rate
Important
These calculations take into account only the pure stroke volumes of all cylinders in depressurised mode. When the cycle time (time for the operating cycle) is stipulated and
may not be exceeded by any means, the valve switch times must be observed, along with the acceleration times and the time for pressure build up until activation of the pressure switch, which signals the pressure reached (see Chapter 2.9).
Attention!
In practice, every desired cycle time is not always achieved. Especially when large masses are being moved and must not stop with too hard impact, the cylinders have to be choked again, which can cause the oil to heat considerably. In such cases, it is advisable to use hydraulic cylinders with stroke end cushioning.
2.9 Why is the actual stroke time often considerably longer than expected?
During the stroke motion, the hydraulic system is almost unpressurised, for the most part, since no great force or, consequently, pressure is necessary. Only when the piston hits the workpiece and the desired force is to be produced, must the entire hydraulic system be pressurised. For this, the time tDr is necessary, as it can increase the calculated stroke time tH considerably
Actual stroke time
Actual stroke time tHt = stroke time tH + time for pressure build up tDr
The reason for the time tDr is that the power unit has to pump an additional volume of oil into the hydraulic system. The most important reasons for this are as follows:
- compressibility of the hydraulic oil (see 2.10)
- increased volume of hydraulic hoses (see 2.11)
Thus, the power unit must actually provide the following volume:
Note
To calculate the cycle time, it is, of course, necessary to determine the time for the return stroke in the same way. In practice, it is not uncommon for the actual stroke time tHt to be
20 % to 50 % longer than the stroke time tH.
2.10 What volume is additionally required because of the compressibility of the hydraulic oil?
If hydraulic oil is pressurised, then its volume decreases. That means that, in the case of a rise in pressure Δ p (delta p), the power source must provide an additional volume Vβ.
The volume Vβ is calculated from the compressibility factor β of the hydraulic fluid.
Compressibility volume
For hydraulic oil, β amounts to approx. 70 × 10-6 1/bar.
This means:
For a pressure increase of 100 bar, 0.7 % more oil volume is required.
In calculating Vβ of a hydraulic system, the total oil volume Vges which is compressed must be taken into account. That means that all oil volumes must be added, from the pressure source through to the hydraulic cylinders.
Important
Air in the hydraulic oil increases the compressibility and the additional volume Vβ. This causes a considerable increase in the actual stroke time tHt. That is why each hydraulic system must be bled carefully during start-up.
2.11 What volume is additionally required because of the expansion of the material of high-pressure hoses?
When the hoses are charged with pressure, they expand and take in an additional volume of hydraulic oil. Since it is relatively large, this volume should be taken into consideration for calculating the actual stroke time tHt.
The increase in volume of the hydraulic hoses VSzu is calculated from the specific increase in volume dependent on the nominal diameter VSp.
Approximate values for the specific increase in volume VSp:
With specified hose length Ls and pressure increase Δp, the following results:
Increase in volume of hydraulic hoses
It follows from the above formula:
With a nominal diameter of ND 6, a pressure increase of 100 bar and a hose length of 1 m, a hydraulic hose increases in volume by 1 cm3.
Note
The increase in volume of hydraulic tubes may generally be disregarded.
2.12 How does the oil pressure change in closed systems, when the ambient temperature changes?
All hydraulic fluids expand with an increase in temperature. The difference in volume VT, caused by a difference in temperature ΔT, is calculated by the heat expansion factor α of the hydraulic fluid.
Difference in volume resulting from a change in temperature
For hydraulic oil, α amounts to approx. 0.67 × 10-3 1/K
Note
The difference in temperature may be inserted in the formula in the Kelvin [K] or Celsius [°C] Scale.
According to the above formula, the following applies to hydraulic oil:
A rise in temperature of 15°C produces an increase in volume of approx. 1%.
In a closed hydraulic system, however, there is no available space for volume expansion. The hydraulic fluid is compressed according to the compressibility factor (see 2.10) and this results in a pressure increase Δp, in accordance with the following formula:
The following applies to hydraulic oil:
A temperature increase of 1 °C causes an increase in pressure of around 10 bar.
In a closed hydraulic system, it is necessary - depending on the application - to take into account the change in pressure resulting from a change in temperature, as early as the planning stage.
Unacceptable pressure increases can, for example, be avoided by pressure relief valves.
Unwanted pressure loss can be reduced by a pressure accumulator.
3.1 Which operating temperatures are possible?
When are FKM seals required?
The temperature range in which the hydraulic cylinders can be used depends, firstly, on the sealing material used. Normally, the O-rings used determine the temperature ranges. ROEMHELD hydraulic cylinders are fitted with the following sealing materials as standard:
- NBR = Nitril-Butadien-Rubber
Trade name e. g. Perbunan
Operating temperature – 30 … + 80 °C - FKM = flour caoutchouc
Trade name e. g. VITON®
Operating temperature – 20 … + 150 °C
The data relate to the direct temperatures of the seals, which can be calculated from the ambient temperature and the temperature of the hydraulic fluid at the actual operating temperature of the hydraulic cylinder. That means, for example, that the internal temperature of an injected mould can be much higher than the operating temperature of a hydraulic cylinder fitted to the mould.
Hydraulic cylinders for operating temperatures of 150 °C up to 200 °C can be supplied as a special version. This is a case of a FKM version with special back-up rings.
Hydraulic cylinders for operating temperatures up to 200 °C
Can be supplied as a special version.
This is a case of a FKM version with special back-up rings.
When selecting a hydraulic cylinder with regard to the operating temperature, it is also important to consider the following:
- Selection of a suitable hydraulic medium
- Permissible operating temperature of mounted accessories (e.g. position controls)
- Permissible operating temperature of additional parts installed directly in the cylinder (e.g. the magnet for hydraulic cylinders with position controls with magnetic sensors)
3.2 Is the installation position optional?
What mounting options are available?
ROEMHELD hydraulic cylinders can be installed in any position. Through-holes for screws in accordance with DIN ISO 273 fine lengthwise and/or crosswise to the cylinder axis. Some cylinder series are also provided with countersunk holes for hexagon socket head cap screws to DIN 912.
Due to their greater length, block cylinders with longer strokes (160 and 200 mm) have internal threads for fastening instead of longitudinal holes as standard.
For smaller strokes, the "thread instead of longitudinal holes" version is offered as a cylinder variant with a surcharge (see current price list) on the standard cylinder.
There are 4 blind hole threads each on the base and rod side.
The longitudinal holes are omitted.
Note
Screws of strength class 8.8 can generally be used to fasten the cylinders.
If hydraulic cylinders are fastened with bolts transverse to the cylinder axis, the bolts are subjected to shearing stress by the cylinder forces. In this case, hydraulic cylinders must be supported above a certain operating pressure.
The height of the support only needs to be a few millimetres.
The support must counteract the force generated. This means that when used as a pressure cylinder (generation of compressive force), support must be provided at the rear (on the floor side). When used as a pull cylinder (generation of pulling force), support must be provided at the front (on the rod side).
Support is required from the following operating pressures:
As an alternative to this support, hydraulic cylinders can be equipped with a cross groove in the housing, which transmits the cylinder forces to the mounting surface via a feather key. The support described above is then not necessary.
The following hydraulic cylinders already have a transverse groove in the standard version:
For block cylinders, the version "with additional cross groove" is offered as a variant with a price surcharge (see current price list) on the standard cylinder.
This variant includes a defined cross groove.
The following hydraulic cylinders are an alternative in terms of mounting:
- Universal cylinder with external thread (catalogue sheet B 1.309)
The round housing with external thread can be easily fastened in through holes using 2 locknuts. The cylinder can be positioned precisely in the axial direction using the locknuts. - Block cylinder with spherical plain bearing (catalogue sheets B 1.542 / G 3.810)
A spherical plain bearing is attached directly to the block cylinder housing, which can accommodate a corresponding bearing pin. A rod end bearing for screwing onto the piston rod is available as an option.
3.3 How are the moving parts attached to the piston rod?
Piston rod with internal thread
Most hydraulic cylinders are equipped with an internal thread in the piston rod for fastening components to the piston rod.
The hydraulic cylinders have either two milled spanner flats on the piston rod (for small diameters) or radial bores in the piston rod (for large diameters) to hold them in place when tightening the attachments.
Piston rod with internal thread and grub screw
Of course, the customer can also screw grub screws into the internal threads to create a connection with an external thread. It should then be noted that the grub screw can also transmit the resulting forces.
Piston rod with external thread
As an alternative to the internal thread, ROEMHELD offers the following versions with piston rod with external thread:
When fastening components that are additionally guided, pressure screws with coupling pins (see catalogue sheet G 3.800) must be used to prevent forced conditions.
3.4 What hydraulic connection options are available?
Depending on the design, hydraulic cylinders have two different hydraulic connection options.
Pipe thread G
The cylinder is fitted with Whitworth pipe threads to DIN ISO 228 (abbreviation G) with screw-in hole form X to DIN 3852 sheet 2 (for cylindrical screw-in spigot), which are usually located on the narrow side of block cylinders.
The hydraulic connection is made via suitable pipe fittings.
Flanged versions with O-ring seal
The cylinder is flange-mounted on a base plate or similar and supplied directly with the hydraulic medium via drilled hydraulic channels.
The cylinder and base plate are sealed using O-rings, the countersinks of which are located in the hydraulic cylinder.
The O-rings required for sealing are always supplied with the hydraulic cylinder. To ensure perfect sealing, the flange surface of the base plate must have a surface roughness depth of Ra < 0.8. The connection hole in the base plate must not be larger than the corresponding hole in the cylinder.
The following versions are available depending on the position of the oil feed:
- K - Wide side "16-40 stroke"
- L - Wide side "from 50 stroke"
- S - Rod side
- B - Bottom side
Note
The K and L versions must be fastened with the transverse holes and are therefore not equipped with longitudinal holes. Versions B and S must be fastened with the longitudinal holes and are therefore not equipped with transverse holes.
3.5 What must be taken into account when selecting the hydraulic fluid?
In addition to the hydraulic cylinder, all other components of the hydraulic system (e.g. pumps, valves, etc.) and their interaction (e.g. heat development) must be taken into account when selecting the hydraulic fluid.
The following criteria are decisive:
- Temperature / viscosity behaviour
- Wear and corrosion behaviour / material resistance
- Flammability and combustibility
- Environmental compatibility
- Resistance to ageing
When selecting a hydraulic fluid, the manufacturer should always be consulted if in doubt. This is because even small quantities of special manufacturer-dependent additives can have an effect on the properties of the hydraulic fluid.
Regardless of the type selected, the hydraulic fluid should be checked regularly (contamination, oil level, etc.) and changed (depending on operating hours, type, etc.).
It goes without saying that the corresponding safety data sheet is available.
4.1 Which pipe fittings are used?
Pipe fittings suitable for Whitworth pipe thread G comply with DIN 2353, screw-in spigot form B according to DIN 3852 sheet 2.
Metal-sealing versions (with sealing edge) are used as tube fittings for hydraulic cylinders with steel housings.
For hydraulic cylinders with aluminium housings, only tube fittings
with soft seals (elastic seals) may be used.
Important
No additional sealant such as Teflon tape may be used!
The pipe fittings are available in 2 series:
- L series: "Light series"
for a maximum operating pressure of 250 ... 350 bar (depending on version) - S series: "Heavy series"
for a maximum operating pressure of 400 ... 500 bar (depending on version)
The L series has slightly smaller dimensions compared to the S series.
Tube fittings can be found on catalogue sheet F 9.300.
4.2 Which hydraulic pipes are used?
We recommend using seamless galvanised hydraulic pipe made of St 37 in accordance with DIN 2391 (see catalogue sheet F 9.300).
The required pipe wall thickness depends on the nominal pressure.
In order to minimise dynamic pressure losses in the pipework, pipework should be as short as possible and have large bending radii.
4.3 What must be observed when selecting and using hydraulic hoses?
High-pressure hydraulic hoses with 4-fold safety against bursting should be used as connection hoses. These can be found on catalogue sheet F 9.361 as pre-assembled hose lines with connection fittings.
lengths can also be supplied according to customer requirements.
When using hydraulic hoses, special attention must be paid to certain criteria.
Medium
Resistance to the media used must be ensured. The high-pressure hoses in catalogue sheet F 9.361 are resistant to all mineral oil-based hydraulic oils and water glycols.
Maximum operating pressure
Hoses are generally subjected to dynamic loads. Acceleration and deceleration processes cause pressure peaks that can far exceed the static pressure. The maximum operating pressure of hydraulic hoses is therefore differentiated and specified for pulsating and intermittent operation.
Volume increase due to material expansion
When pressurised, hoses are stretched and absorb an additional volume of hydraulic medium. This volume can be neglected in most applications, but must be taken into account in applications with short cycle times (see 2.9).
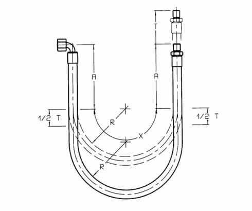
Bending radius
The specified minimum bending radii must be observed.
The bending radius has a direct influence on the hose length and is calculated as follows:
- Static use
Length = 2A + 3,142 x R = 2A + X - Flexible use
Length = 2A + 3,142 x R + T = 2A + X + T
To avoid buckling stresses on the fittings, both hose ends must be laid straight. We therefore recommend calculating the length as shown in the illustrations above, where "R" is the minimum bending radius. This radius is measured on the inside of the bend, whereby the hose must not flatten by more than 10% of the original outside diameter.
When calculating flexibly installed lines, the length "T" corresponding to the stroke path must be taken into account.
Note
As hose lines are generally laid with at least one bend, it is essential to avoid tensile loads on the fittings in order to ensure the longest possible service life.
Installation
What to consider when installing hoses:
Avoid twisting cables. Where moving parts can cause the cable to twist, avoid this by installing the cable correctly.
Avoid bending radii that are too small by using suitable fittings. Under no circumstances should you bend closer than 1.5 × "d" after the socket!
Avoid contact with objects that can cause abrasion or damage.
If the hose moves during use, pay particular attention to the hose length.
Wear / ageing
Hoses are classed as wearing parts as they are subject to natural ageing even when used correctly. They should be checked regularly and replaced after a certain service life. Further information can be found in the applicable regulations and standards, such as DIN EN 982 "Safety requirements for fluid power systems and their components".
Determining the nominal hose diameter
The required minimum nominal hose width can be calculated based on the flow velocity V and the volume flow Q.
For the volume flow or flow rate Q in l/min and the flow velocity V in m/s, the minimum nominal hose diameter in millimetres can also be read from the following nomogram.
By combining the two values for Q (l/min) and V (m/s), the nominal hose diameter DN is obtained on the centre scale. The next highest standardised diameter should then be selected.
Example:
Given: Flow rate Q: 70 l/min
Given: Flow velocity V: 4 m/s
From nomogram: Nominal diameter (DN): 20 mm
Reference values for maximum flow velocities of hydraulic hoses are:
- Pressure lines: 5 m/s
- Return lines: 2 m/s
- Suction lines: 1.2 m/s
Note
The maximum permissible flow velocity of hydraulic cylinders (see 2.6) is far below the maximum flow velocities of hydraulic hoses.
5.1 How much leakage oil is produced by hydraulic cylinders?
In ROEMHELD hydraulic cylinders, sealing systems are used for the piston rod, which usually consist of several sealing elements. These sealing systems ensure that the sealing points are absolutely tight in the entire specified pressure range at standstill. No oil escapes from the piston rod, nor is there any oil transfer from the piston and piston rod side.
Important
ROEMHELD hydraulic cylinders are leak-free in static condition. In order to achieve a sufficient service life, the sealing systems must be lubricated by the hydraulic medium during movement in dynamic operation. As the hydraulic medium has to reach the seals, a certain amount of leakage oil occurs. Although this quantity is relatively small, the leakage oil that escapes from the cylinder to the piston rod in particular must be considered from the point of view of environmental protection. If necessary, an environmentally compatible hydraulic medium should be selected.
The amount of leakage oil depends on many factors, e.g:
- the piston or piston rod diameter
- the stroke
- the piston speed
- the operating pressure
- the viscosity of the hydraulic medium
- the sealing system
- the surface of the piston rod
To reduce the amount of leakage oil in the low-pressure range, hydraulic cylinders can be fitted with particularly low-leakage oil seals. Please contact us!
5.2 How large are the dimensional tolerances if nothing is stated in the catalogue sheet?
What is the dimensional tolerance of the enclosures?
Dimensions without tolerance specifications correspond to the general tolerances in accordance with DIN ISO 2768-mH. The following length and angle dimensions as well as shape and length tolerances therefore apply.
Deviating from this applies
- for cast parts: Tolerance GTB 16 according to DIN 1686
- for forgings: forging quality F according to DIN 7526
The tolerance of the stroke is (unless otherwise specified): ±1.0 mm
The tolerance of the total length l is (unless otherwise specified) ±1.0 mm
These tolerances are relatively large, as the lengths involved are made up of several components and their tolerances.
Housing length tolerance for block cylinders
For block cylinders, the housing length A is calculated from the following dimensions in the catalogue: A = l - c
The tolerance of the housing length is not ±1.0 mm (corresponding to the tolerance of the total length l), but is considerably smaller.
5.3 What must be observed for safety reasons?
- Before installing, commissioning, operating and maintaining hydraulic cylinders, always observe the instructions in the corresponding Operating instructions.
- Always observe the application limits of the hydraulic cylinders. This applies in particular to the maximum operating pressure but also to the temperature, flow velocity, resistance to the hydraulic medium, etc.
- It is recommended to always install a pressure gauge or similar for pressure indication and, if necessary, appropriate safety valves for overpressure limitation.
- Crushing hazard - always keep hands and other body parts away from the working area.
- Please note that the forces of the hydraulic cylinder must be absorbed by the components to which the cylinder is attached.
- Only use clean hydraulic oil in accordance with chapter 3.5.
- Never modify a hydraulic cylinder or an accessory yourself (e.g. drilling additional holes, milling, etc.). Please contact us if modifications are necessary.
5.4 What support can I get for installation, commissioning, maintenance and repair?
You will find information on the installation, commissioning and maintenance of hydraulic cylinders in the corresponding operating instructions.
Spare parts lists and drawings are available for repair work.
Of course, you can also have repair work carried out by ROEMHELD. Simply send us the defective hydraulic cylinders. You will first receive a cost estimate for the repair. After your repair approval, the cylinders are then repaired and sent back to you inspected.
In addition, ROEMHELD offers a technical customer service that carries out all this work on your premises.
All information on ROEMHELD services can be found here ...
5.5 What do the circuit symbols in the hydraulic diagram mean?
Circuit symbols are a kind of shorthand and are used for rapid communication between experts across language barriers. The circuit symbols for oil hydraulics and pneumatics are defined internationally in DIN ISO 1219.
The Selection mainly explains the circuit symbols of devices that can be found in the ROEMHELD programme. Each circuit symbol characterises a device and its function but not its design.
In circuit diagrams, the devices are shown in the zero position and, if this is not available, in the initial position of the control system, the systems are shown in the idle position. If this is not the case, a note, e.g. operating position, is required.
6.1 Are transverse piston forces permissible or are there special designs?
Conventional hydraulic cylinders are only suitable to a limited extent for absorbing transverse forces on the piston rod and the resulting moment loads.
Lateral forces stress the piston and piston rod guide of the cylinder, leading to a reduction in service life, leaks and even destruction of the cylinder. Lateral forces should therefore be avoided, especially with single-acting cylinders.
should be avoided.
Under no circumstances should the transverse piston force exceed 3% of the cylinder force at maximum operating pressure (up to 50 mm stroke). This becomes increasingly critical with longer strokes.
ROEMHELD offers special series for the absorption of transverse piston forces and moment loads:
- RS hydraulic slide B 1.7385
Hydro block cylinder with 4 laterally mounted guide columns for high lateral forces. A front plate is mounted on the guide columns and the piston rod, to which payloads such as tools can be attached. Catalog sheet B 1.7385 contains information on the maximum permissible payloads and diagrams of the maximum permissible torques caused by the transverse forces. - RM Mini slide B 1.7384
Hydraulic slider based on a block cylinder. The RM slider also has 4 guide pillars that are connected to a front plate, but these are significantly smaller than the RS slider.
The RM mini slide is therefore more suitable for low to medium shear loads. More detailed information can be found in the catalog sheet. - Block cylinder with guide housing B 1.738
Block cylinder made of aluminum or steel with a pre-mounted guide housing in which a pin is mounted. The pin is positively coupled to the piston rod and transmits the hydraulic force to the point of use. All lateral forces are only transmitted to the pin or the guide housing. - Hydro block cylinder B 1.590 and hydro cylinder B 1.282
Hydraulic cylinder in cylinder tube design for strokes up to 1200 mm. A special guide system allows lateral forces to be absorbed even with longer strokes.
- 0° swing clamps
ROEMHELD swing clamps, which are mainly used in fixture construction, are also available as standard with a 0° swing angle, i.e. without swing movement.
As the swing clamp is designed to absorb high clamping torques, it can be used with this modification as a linear cylinder for transverse forces.
6.2 Which versions with anti-twist protection are available?
In addition to the option of attaching an external anti-rotation lock to the piston rod, the following versions of hydraulic cylinders with integrated anti-rotation lock are available. When selecting, particular attention should be paid to the radial play of the anti-rotation device.
- B 1.7385 RS Hydraulic slider
Hydraulic block cylinder with 4 laterally mounted guide columns. A front plate is mounted on the guide pillars and the piston rod, to which payloads can be attached. This guarantees backlash-free anti-rotation protection.
The permissible torques are specified in the catalog sheet. - B 1.7384 RM Mini gate valve
Hydraulic slider based on a block cylinder. The RM slider also has 4 guide columns, which are connected to a front plate, but are significantly smaller than the RS slider. The RM mini slide is therefore more suitable for low to medium torques. - 0° swing clamp
ROEMHELD swing clamps with 0° swing angle can be used as linear cylinders (see 6.1). As the piston of the swing clamp is guided in a groove, it is secured against rotation. Depending on the version, the radial play is a maximum of 2 degrees. 0° swing clamps in numerous series can be found in the ROEMHELD clamping technology catalog.
6.3 Which versions with end position cushioning are available?
If hydraulic cylinders are moved at high speeds, a high level of energy is suddenly released when the piston hits the end position without braking, which must be absorbed by the cylinder housing and the threaded bushing. This can lead to a reduction in the service life of the cylinder. Undesirable effects on the actual function due to vibrations and noise pollution caused by the impacts can also be the result.
The remedy, of course, is to reduce the speed. However, if this is not possible, the use of a cylinder with integrated hydraulic end position damping is recommended. This end position damping forces the hydraulic medium through a hole or similar over the last few millimeters of the stroke (e.g. 8 mm). This orifice effect throttles the volume flow and thus reduces the piston speed and the energy in the end positions.
If the choice of a hydraulic cylinder with end position cushioning is being considered, this must be taken into account:
- The shorter the stroke, the more sensible a general reduction in speed can be.
- Ideally, the end position damping can be adjusted on the cylinder to adapt the damping effect to the respective application. The two end positions can then also be set independently of each other.
- If the cylinder is moved against an external fixed stop, the housing and the threaded bushing of the cylinder itself are not stressed. End position damping to protect the cylinder is then not necessary.
6.4 What options are there for querying the piston position?
Position monitoring systems are used to monitor the piston position of hydraulic cylinders. A sensor is required for each monitoring position. Sensors and position monitors are always considered accessories or options. This means that they are not included in the scope of delivery of the hydraulic cylinder and must be ordered as separate items. The sensors are often connected using plugs with attached cables that have an LED function indicator.
Magnetic sensors
A permanent magnet is attached to the piston and its magnetic field is detected by an electronic magnetic sensor. In the case of block cylinders, the magnetic sensors are attached to the outside of the housing in longitudinal grooves.
The use of magnetic sensors is advantageous:
- Compact design / low space requirement
- Adjustable switching points by moving the sensor in the longitudinal grooves
- Several positions can be monitored, as several sensors can be mounted in the two longitudinal grooves of the housing - depending on the groove or stroke length. The minimum distance between the switching points in one groove is 6 mm, with two grooves 3 mm.
Please note when using magnetic sensors:
- Magnetic sensor sensors can only be used with non-magnetizable housings (aluminium or bronze). ROEMHELD aluminum housings are limited to a maximum operating pressure of 350 bar and are not suitable for shock loads that occur during punching and cutting processes, for example. For such applications up to a maximum of 500 bar, ROEMHELD offers block cylinders with bronze housings.
- Influence of the magnetic field by adjacent, magnetizable components
(e.g. steel parts):
To ensure proper function, it is recommended to maintain a distance of at least 25 to 30 mm between the magnetic sensor and magnetizable components. Although the function can also be guaranteed with a smaller distance, this depends very much on the individual installation situation. As a rule, standard steel screws can also be used to fasten the cylinder. In borderline cases, screws made of non-magnetizable steel (e.g. VA screws) can improve the magnetic field.
- Influence of the magnetic field by neighboring magnetic sensors
If several block cylinders with magnetic sensors are installed directly next to each other, the magnetic sensors can influence each other and malfunctions can occur. This can be remedied by using a magnetizable steel plate placed between the block cylinders or magnetic sensors to shield them.
- Requirements for the power supply
See catalog sheet G 2.140 - Magnetic sensors for position monitoring
- Maximum operating temperature of all required components
- Magnet: +100 °C
- Magnetic sensor: +100 °C
- Connection cable with angled plug: +90 °C - Overtravel and switching hysteresis of approx. 3 mm
This must be taken into account when adjusting the magnetic sensors. When the piston is stationary, the magnetic sensor should always be pushed towards the piston from the opposite direction of movement.
Further information on the use of magnetic sensors can be found in the following documents:
- G 2.140 - Magnetic sensors for position monitoring
- From practice - For practice
Use of magnetic sensors for position monitoring of hydraulic cylinders
Inductive proximity sensors
There are two types of position controls with inductive proximity sensors.
Monitoring with high-pressure-resistant proximity switches for end position monitoring
The cylinder housing has a bore with an internal thread for each end position, into which a high-pressure-resistant, inductive proximity sensor can be screwed. The sensor directly scans the piston of the cylinder. It is sealed to the outside with an O-ring. The switching point can be set up to 5 mm before the end position via the switching distance between the sensor and the piston.
Only the end positions of the hydraulic cylinder are scanned with the high-pressure-resistant sensors. The maximum operating temperature of the sensors is 80 °C or 120 °C.
ROEMHELD offers the following hydraulic cylinders with high-pressure resistant proximity switches:
Interrogation with commercially available proximity switches
Block cylinders are equipped with a piston rod passing through the cylinder base for monitoring with commercially available proximity sensors. In addition, an interrogator housing is flange-mounted to the cylinder base, in which the sensors are slidably mounted. The sensors are damped via switching cams on the piston rod.
The additional housing makes the overall length considerably longer, but standard sensors with an M8 x 1 external thread can be used. Because the sensors can be moved, intermediate positions can also be scanned.
The maximum operating temperature of the sensors is 70 °C. The "Type C - High ambient temperature" version, including the Teflon connection cable, is suitable for temperatures up to 120 °C.
Proximity sensors are already available from various manufacturers for
ambient temperatures up to around 180 °C, but are then considerably larger than the M8 versions.
Mechanical limit switches
Mechanical limit switches are available as an option for RM mini slides and RS hydraulic slides. The switches are housed in an aluminum housing, which makes them particularly suitable for robust applications.
The maximum operating temperature of the switches is 70 °C.
The RM mini gate valve can be optionally equipped with one or two switching rods on which sliding switching cams actuate the limit switches.
With the RS hydraulic slider, a switch is actuated with the front plate (retracted) and a switch with the switching lug on the guide pillars (extended).
- a - Limit position switch S1 (extended)
- b - Switching lug
- c - Guide pillars
- d - Limit position switch S2 (retracted)
It is also possible to use your own limit switches or proximity sensors by adapting the mounting angle.
The maximum operating temperature of the switches is +70 °C.
Mechanical limit switches are also available from various manufacturers for temperatures well above 100 °C.
6.5 What accessories does ROEMHELD offer?
In addition to the range of hydraulic cylinders, ROEMHELD offers an extensive range of accessories. The corresponding catalog sheets can be found in the accessories section of the catalog.
They cover the following areas:
- Hydraulic valves : C 2.940 to C 2.954
- Pressure intensifiers : D 8.753 and D 8.756
- Pipes, pipe fittings, hydraulic oil, pressure gauges : F 9.300
- Hydraulic high-pressure hoses : F 9.361
- Quick couplings : F 9.381
- High pressure filters : F 9.500
- Magnetic sensors : G 2.140
- Pressure screws : G 3.800
- Spherical plain bearings : G 3.810
6.6 What options are available for the delivery of stroke lengths not listed in the catalog?
ROEMHELD hydraulic cylinders are offered in the catalog in two different stroke increments depending on the design.
Standard strokes:
For block, universal and screw-in cylinders
For these cylinders, stroke lengths from approx. 16 mm to a maximum of 200 mm are offered in fixed increments (e.g. 25, 50, 100, 160, 200 mm). Strokes over 200 mm (guide value, depending on diameter) are generally not possible, as the internal machining of the cylinder bore limits the maximum possible stroke.
Stroke gradation in mm:
For hydraulic cylinder B 1.282, hydraulic block cylinder B 1.590
(also available as a variant for RS hydraulic sliders B 1.7385)
With these cylinders, it is relatively easy to produce individual and very long strokes, as only the length-dependent components such as the piston rod and cylinder tube need to be adapted.
The design means that a certain minimum stroke is required.
Stroke lengths not listed in the catalog can of course also be supplied - within the technical production limits.
There are two options for this:
Inserting a spacer bushing
Inexpensive and quickly available intermediate strokes
A spacer bushing is inserted into the standard cylinder with the next longer stroke on the piston rod side and secured in the housing. This prevents the piston from extending fully and the stroke is limited by this internal stop depending on the length of the bushing.
bushing length.
The stroke limiter with spacer bushing on the piston rod side is available as a cylinder variant with a surcharge (see current price list) on the standard cylinder. The stroke limiter with spacer bushing on the piston side is a special version due to the mounting and must be requested separately.
Special cylinders
Quantity-dependent production
ROEMHELD naturally also supplies cylinders whose housing and pistons are specially manufactured for a stroke that is not listed in the catalog. These designs are special designs that are generally only manufactured in order-related quantities.
6.7 The required hydraulic cylinder is not listed in the catalog - are special cylinders available?
In addition to an extensive catalog range of hydraulic cylinders and accessories, ROEMHELD also offers variants of the catalog versions. Furthermore, ROEMHELD also supplies hydraulic cylinders that are designed and manufactured according to individual customer requirements. Please contact us.
In the case of special cylinders, you will receive an installation drawing of the cylinder from us after technical clarification, which contains all the dimensions required for installation.
7.1 How do I obtain CAD data for the hydraulic cylinders?
Which CAD formats are available?
ROEMHELD provides CAD data of hydraulic cylinders for integration into your own designs in the following formats:
- 2D format: - dxf
- 3D formats: - STEP (.stp)
- PARASOLID (.x_t)
- ACIS (.sat)
- CATIA Export (.exp)
- CATIA Model (.model)
The CAD data is the shell or outer contour of catalog designs. The 3D data of hydraulic cylinders is usually made up of two parts. As the housing and piston are two different elements, the piston can be displayed in any desired stroke position.
To access and download the CAD data, registration with ROEMHELD (online or by telephone) is required.
The search for CAD data and the download of a file must always be carried out using the article number.
Complete catalogues for online browsing
with download in PDF format
• Hydro-cylinders
• Universal cylinders
• Threaded-body cylinders
• Block cylinders
• Hydraulic slides
to the online flip catalogue of Hydraulic Cylinders
Further online flip catalogues can be found here:
Online flip catalogues of Workholding
Take advantage of the free benefits of our login area:
- CAD data download
- Download operating instructions
Welcome back! Log in to your already existing user account.


























