Válvula de secuencia paso nominal 5
presión máx. de servicio 250 bar
Esta válvula de secuencia se utiliza en útiles hidráulicos para accionar cilindros de sujeción individuales o conjuntos completos con un retardo de tiempo regulable.
Las válvulas de secuencia normales se abren sin retraso si se excede la presión de conmutación regulada. A veces es necesario ralentizar la secuencia de conmutación por razones funcionales. Por esta razón, esta válvula de secuencia no se abre en función de la presión, sino por la carrera regulable de un émbolo distribuidor.
Una válvula de asiento está integrada en el cuerpo, que puede abrirse mediante un émbolo distribuidor de accionamiento hidráulico. Cuando se aplica presión en la conexión P, el aceite hidráulico fluye a través de una válvula antirretorno de orificio hacia el émbolo distribuidor. Ya que la carrera del pistón es relativamente larga, el pistón de control tarda unos segundos en abrir la válvula de asiento. El tiempo de retraso depende de la carrera del pistón, que está limitada por el tornillo de regulación.
| Referencia | Datos CAD | tipo | ejecución | presión máx. de servicio [bar] | tipo | |
|---|---|---|---|---|---|---|
|
Referencia
|
Datos CAD
|
Propiedades
| ||||
|
Referencia
|
Datos CAD
|
Propiedades
|
| Referencia | Datos CAD | Descripción |
|---|---|---|
|
Referencia
|
Datos CAD
|
Descripción
Junta tórica 7 x 1,5 mm, NBR
según la hoja del catálogo B1.5091
|
|
Referencia
|
Descripción
Tornillo allen
M5 x 50 mm - DIN 912-8.8
según la hoja del catálogo B1.486
|
|
|
Referencia
|
Datos CAD
|
Descripción
Placa de montaje G1/4
para válvulas de secuencia 2954620 y 2954630
máx. 250 bar, según la hoja del catálogo C2.9546
|
|
Referencia
|
Descripción
Válvula antirretorno de orificio
para válvula de secuencia 2954630
según la hoja del catálogo C2.9546
|
|
|
Referencia
|
Descripción
Válvula antirretorno de orificio
para válvula de secuencia 2954620
según la hoja del catálogo C2.9546
|
|
|
Referencia
|
Descripción
Filtro insertable
para válvulas de secuencia 2954620 y 2954630
según la hoja del catálogo C2.9546
|
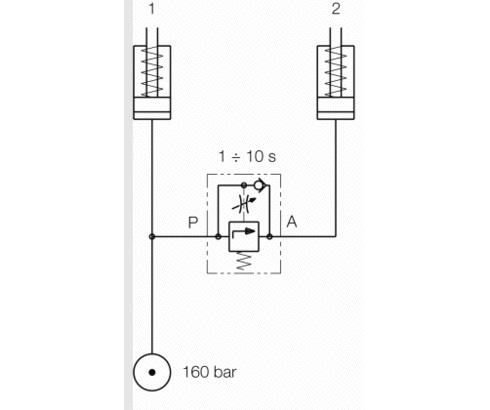
- El cilindro 1 se alcanza sin presión contra la pieza a mecanizar.
- La presión de aceite aumenta a 160 bar.
- Después del tiempo de conmutación regulado, la válvula de secuencia abre y el cilindro 2 se alcanza sin presión contra la pieza a mecanizar. También el cilindro 1 está de nuevo casi sin presión.
- La presión de aceite a ambos cilindros aumenta a 160 bar.
Aproveche nuestra zona de login gratuita:
- Descarga de datos CAD
- Descarga de instrucciones de servicio
¡Bienvenido de nuevo! Inicie sesión con su cuenta de usuario ya existente.'

