Válvula de secuencia paso nominal 4
presión máx. de servicio 500 bar
Las válvulas de secuencia se utilizan en útiles de sujeción hidráulica en los cuales la sucesión de los movimientos está determinada por la presión. Su pequeño tamaño permite montarlas directamente en los útiles de sujeción y en casos de accionamiento de cilindros de simple efecto sólo se precisa una conexión desde la central hidráulica.
| Referencia | Datos CAD | tipo | ejecución | presión máx. de servicio [bar] | tipo | |
|---|---|---|---|---|---|---|
|
Referencia
|
Datos CAD
|
Propiedades
| ||||
|
Referencia
|
Datos CAD
|
Propiedades
| ||||
|
Referencia
|
Datos CAD
|
Propiedades
| ||||
|
Referencia
|
Datos CAD
|
Propiedades
| ||||
|
Referencia
|
Datos CAD
|
Propiedades
| ||||
|
Referencia
|
Datos CAD
|
Propiedades
|
| Referencia | Datos CAD | Descripción |
|---|---|---|
|
Referencia
|
Datos CAD
|
Descripción
Junta tórica 7 x 1,5 mm, NBR
según la hoja del catálogo B1.5091
|
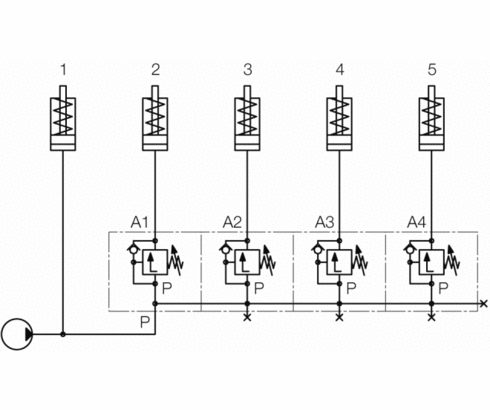
La pieza a mecanizar debe de ser posicionada y blocada en el útil de sujeción mediante cilindros hidráulicos.
Proceso de sujecion
1. El cilindro 1 presiona a la pieza a mecanizar contra el tope a.
2. La presión aumenta hasta 30 bar y provoca la apertura de la válvula de secuencia.
3. Los cilindros 2 y 3 se desplazan presionando a la pieza contra los topes b y c.
4. La presión de aceite aumenta uniformemente en todos los cilindros, ya que ahora la válvula de secuencia tiene paso libre.
Esquema hidráulico
Mando de secuencia con 5 cilindros de sujeción de simple efecto.
Aproveche nuestra zona de login gratuita:
- Descarga de datos CAD
- Descarga de instrucciones de servicio
¡Bienvenido de nuevo! Inicie sesión con su cuenta de usuario ya existente.'





