Series
C2.954
Combinaciones de válvulas de secuencia paso nominal 4
con válvula antirretorno
presión máx. de servicio 500 bar
presión máx. de servicio 500 bar
Solicitar producto
Consultar precios y disponibilidad
Ir a Carrlane.com
Informaciones de la serie
Descripción
C 2.954-2 Combinaciones de válvulas de secuencia
Estas combinaciones consisten de una válvula de entrada y hasta 5 válvulas en serie. Se efectúa una sola conexión de presión (P). El paso de aceite entre las válvulas se efectúa mediante orificios y juntas tóricas. Para garantizar un funcionamiento óptimo del mando de secuencia, se debe de regular una diferencia mínima de la presión determinada entre las válvulas. Para las válvulas 2954 42X será de 25 bar, para las válvulas 2954 44X será de 50 bar.
Artículos (4)
Cargando…
| Referencia | Datos CAD | tipo | ejecución | presión máx. de servicio [bar] | tipo | |
|---|---|---|---|---|---|---|
|
Referencia
|
Datos CAD
|
Propiedades
| ||||
|
Referencia
|
Datos CAD
|
Propiedades
| ||||
|
Referencia
|
Datos CAD
|
Propiedades
| ||||
|
Referencia
|
Datos CAD
|
Propiedades
|
Cargando…
Referencia
tipo
válvula de secuencia de entrada
ejecución
ejecución adosada
presión máx. de servicio [bar]
500
tipo
válvula de corredera
caudal máx. [l/min]
8
rosca de conexión
Ø 5 mm
mando
en función de la presión
Einstellbereich
10 – 150 bar
Referencia
tipo
válvula de secuencia en serie
ejecución
ejecución adosada
presión máx. de servicio [bar]
500
tipo
válvula de corredera
caudal máx. [l/min]
8
rosca de conexión
Ø 5 mm
mando
en función de la presión
Einstellbereich
10 – 150 bar
Referencia
tipo
válvula de secuencia de entrada
ejecución
ejecución adosada
presión máx. de servicio [bar]
500
tipo
válvula de corredera
caudal máx. [l/min]
8
rosca de conexión
Ø 5 mm
mando
en función de la presión
Einstellbereich
100 – 450 bar
Referencia
tipo
válvula de secuencia en serie
ejecución
ejecución adosada
presión máx. de servicio [bar]
500
tipo
válvula de corredera
caudal máx. [l/min]
8
rosca de conexión
Ø 5 mm
mando
en función de la presión
Einstellbereich
100 – 450 bar
Accesorios (6)
| Referencia | Datos CAD | Descripción |
|---|---|---|
|
Referencia
|
Datos CAD
|
Descripción
Junta tórica 8 x 1,5 mm, NBR
según la hoja del catálogo B1.5091
|
|
Referencia
|
Datos CAD
|
Descripción
Vástago roscado M5 X 72 mm
según la hoja del catálogo C2.954
|
|
Referencia
|
Datos CAD
|
Descripción
Vástago roscado M5 X 102 mm
según la hoja del catálogo C2.954
|
|
Referencia
|
Datos CAD
|
Descripción
Vástago roscado M5 X 132 mm
según la hoja del catálogo C2.954
|
|
Referencia
|
Datos CAD
|
Descripción
Vástago roscado M5 X 162 mm
según la hoja del catálogo C2.954
|
|
Referencia
|
Datos CAD
|
Descripción
Vástago roscado M5 X 192 mm
según la hoja del catálogo C2.954
|
Cargando…
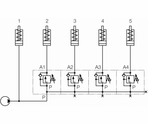
Ejemplos de aplicación
Combinación de válvulas de secuencia C2.954
Esquema hidráulico para un mando de secuencia de 5 cilindro de sujeción simple efecto
Registro
¿Nuevo aquí?
Aproveche nuestra zona de login gratuita:
- Descarga de datos CAD
- Descarga de instrucciones de servicio
Login
Iniciar sesión
¡Bienvenido de nuevo! Inicie sesión con su cuenta de usuario ya existente.'
Cargando…
Error al cargar los datos CAD. Por favor, compruebe su conexión a Internet e inténtelo de nuevo.
Atención: nuestros datos CAD son, por lo general, datos simplificados y reflejan principalmente el contorno exterior y las conexiones del producto (véase también Condiciones de uso). Consulte siempre la hoja de catálogo correspondiente para conocer las dimensiones exactas con tolerancias, en particular la información sobre orificios de montaje o accesorios como abrazaderas especiales.
Cargando…
Se ha producido un error inesperado. Por favor, recargue la página o inténtelo más tarde.

