Acumuladores hidráulicos
presión máx. de servicio 250 – 500 bar
Aplicación
Los acumuladores hidráulicos se utilizan en la técnica de sujeción hidráulica como acumulador de energía para la compensación de fugas internas o para la compensación del volumen en el caso de variaciones de la temperatura.
Acumulación de energía
Con funcionamiento intermitente puede ahorrarse potencia de la bomba y por eso energía. En los intervalos o pausas, la bomba llena el acumulador hidráulico. En el caso necesario, hay disponible un caudal elevado durante poco tiempo.
Compensación de fugas internas
En la técnica de sujeción los generadores de presión trabajan generalmente en funcionamiento intermitente que se controla por presostato. Si hay conectados elementos hidráulicos con fugas internas como por ejemplo válvulas de corredera o ejes distribuidores giratorios, se producirán conexiones y desconexiones frecuentes del motor de accionamiento. La instalación de un acumulador hidráulico pequeño reduce considerablemente el número de conmutaciones, cuida el material y ahorra energía.
Compensación del volumen en el caso de variaciones de la temperatura
Si se desconecta sistemas de sujeción hidráulicos del generador de presión, se producen considerables cambios de la presión de sujeción en el caso de variaciones de la temperatura (Valor indicativo ±10 bar a ±1°C). Un acumulador hidráulico pequeño, montado sobre el útil en posición protegida, causa una compensación del volumen y reduce por eso variaciones de la presión. Además fugas mínimas no producen una caída de presión inmediata. Un manómetro para el control de presión debe instalarse en todo caso.
Descripción
Los líquidos son prácticamente incompresibles y por eso no pueden acumular energía de presión. En los acumuladores se utiliza la compresibilidad del nitrógeno para la acumulación de líquidos. Una membrana estanca al gas separa la zona de los líquidos de la zona del gas. En el fondo de la membrana hay un disco de válvula, que evita un deterioro de la membrana, si se vacía completamente el acumulador hidráulico. Al tornillo de cierre se llena el nitrógeno y le provee con la pretensión necesaria. Por eso se necesita un aparato de llenado y de ensayo apropiado. Los acumuladores hidráulicos aquí ofertados corresponden a las disposiciones del artículo 3 párrafo 3 de la directiva de equipos a presión 97/23/CE y luego no deben portar el signo CE.
Normativas legales
Para acumuladores hidráulicos se debe tener en cuenta antes de la puesta en marcha y durante el funcionamiento las normas válidas en el lugar de instalación. El operador sólo es responsable para la utilización conforme a lo prescrito y la observación de estas prescripciones. En Alemania el reglamento de seguridad de trabajo (BetrSichV) es la base legal. Para los tamaños de acumuladores aquí ofrecidos vale: Todos los trabajos en conexiones hidráulicas y neumáticas del acumulador hidráulico sólo deben efectuarse por personas cualificadas. No se necesitan un experto para la primera aceptación.
| Referencia | Datos CAD | ejecución | presión máx. de servicio [bar] | conexión hidráulica | Ø exterior [mm] | |
|---|---|---|---|---|---|---|
|
Referencia
|
Datos CAD
|
Propiedades
| ||||
|
Referencia
|
Datos CAD
|
Propiedades
| ||||
|
Referencia
|
Datos CAD
|
Propiedades
| ||||
|
Referencia
|
Datos CAD
|
Propiedades
| ||||
|
Referencia
|
Datos CAD
|
Propiedades
| ||||
|
Referencia
|
Datos CAD
|
Propiedades
| ||||
|
Referencia
|
Datos CAD
|
Propiedades
| ||||
|
Referencia
|
Datos CAD
|
Propiedades
|
| Referencia | Datos CAD | Descripción |
|---|---|---|
|
Referencia
|
Datos CAD
|
Descripción
Válvula limitadora de presión G1/2 - precintada
presión de reacción: 260 bar
según la hoja del catálogo F9.601
|
|
Referencia
|
Datos CAD
|
Descripción
Válvula limitadora de presión G1/2 - precintada
presión de reacción: 315 bar
según la hoja del catálogo F9.601
|
|
Referencia
|
Datos CAD
|
Descripción
Válvula limitadora de presión G1/2 - precintada
presión de reacción: 520 bar
según la hoja del catálogo F9.601
|
|
Referencia
|
Datos CAD
|
Descripción
Tuerca hexagonal
M33 x 1,5 mm - 14 mm alto
según la hoja del catálogo F9.601
|
|
Referencia
|
Datos CAD
|
Descripción
Racor doble G1/4-G1/4
36 mm largo
máx. 500 bar, según la hoja del catálogo F9.300
|
|
Referencia
|
Datos CAD
|
Descripción
Racor de reducción GWR 1/2 - 1/4
máx. 315 bar, según la hoja del catálogo F9.300
|
|
Referencia
|
Datos CAD
|
Descripción
Racor para manómetro tipo A
con anillo de cierre
G1/4 - tubo Ø 8 mm
máx. 500 bar, según la hoja del catálogo F9.300
|
|
Referencia
|
Datos CAD
|
Descripción
Racor de unión recto D8S ED
G1/4 - tubo Ø 8 mm
máx. 630 bar, según la hoja del catálogo F9.300
|
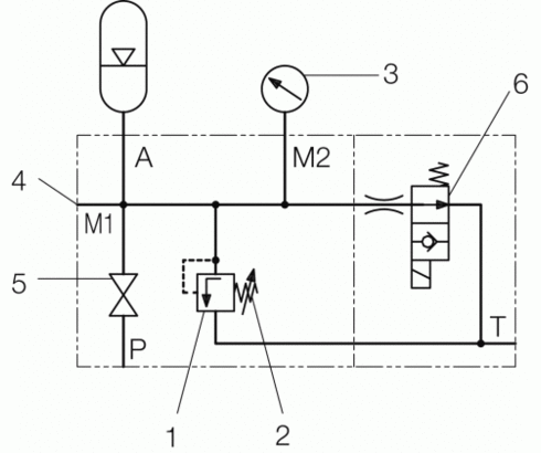
Los acumuladores hidráulicos están sujetos a las prescripciones y los reglamentos nacionales válidos en el lugar de instalación. En Alemania se aplican las "normas técnicas para depósitos de presión" (TRB). En éstas normas se exige el equipo siguiente:
- Válvula limitadora de presión (1)
- Dispositivo de descarga (2)
- Manómetro (3)
- Conexión para un manómetro de ensayos (4)
- Válvula de cierre opcional (5)
- Dispositivo de descarga de mando electromagnético (6)
1. Válvula limitadora de presión
(válvula de seguridad)
La válvula limitadora de presión (DBV) debe proteger al acumulador hidráulico contra un aumento de presión de más del 10% de la presión de servicio máxima. La regulación debe efectuarse con el caudal máximo de la central hidráulica. Para regular la presión de reacción de la válvula limitadora de presión debe ser un poco más elevada que la presión nominal del acumulador hidráulico.
El husillo de la válvula limitadora de presión debe asegurarse para evitar un posible ajuste más elevado de presión, utilizando discos distanciadores y/o un precinto.Instrucciones importantes:
La válvula limitadora de presión de la central hidráulica no debe regularse por encima de la presión máxima de servicio del acumulador hidráulico. En el caso de "acumuladores pequeños" con un volumen nominal inferior a 100 cm3 la protección de la presión puede efectuarse con la válvula limitadora de presión de la central hidráulica, si el husillo de reglaje está asegurado contra el exceso de la presión máxima de servicio. Si los "acumuladores pequeños" están montados sobre paletas para piezas a mecanizar que se desconectan de la central hidráulica debe preverse una válvula limitadora de presión sobre cada paleta.
2. Dispositivo de descarga
Instrucción importante:
Antes de trabajos de mantenimiento al sistema hidráulico o al útil debe vaciarse completamente el acumulador hidráulico. Hay dos posibilidades:
desatornillar completamente el husillo de la válvula limitadora de presión en dirección de la presión baja o abrir una válvula de cierre instalada (véase ejemplo).
3. Manómetro
El manómetro debe reflejar la presión efectiva del acumulador hidráulico. Por eso debe montarse directamente en la conducción de alimentación. El manómetro de la central hidráulica no es apropiado para ello. La presión máxima de servicio del acumulador hidráulico debe visualizarse mediante una marca sobre la escala del manómetro. Alternativamente puede también fijarse una placa o un colgante marcado con la presión nominal.
4. Conexión para un manómetro de ensayos
Para el ensayo regular de presión aquí puede conectarse un manómetro de ensayos.
5. Válvula de cierre
Con la válvula de cierre puede separarse el acumulador hidráulico de la central hidráulica y del útil a fin de poder efectuar trabajos de reglaje y de mantenimientos sin peligro.
Aproveche nuestra zona de login gratuita:
- Descarga de datos CAD
- Descarga de instrucciones de servicio
¡Bienvenido de nuevo! Inicie sesión con su cuenta de usuario ya existente.'


